代谢物(wu)概♊况:浮标水质监测装备SFA集数据(💙ju)收罗、存储、传输和办(ban)理于一体的无人值守的收罗体系(xi)
一、产品介绍
1.水(shui)环境(jing)浮漂监测(ce)(ce)系统(tong)(tong)站SFA集统(tong)(tong)计(ji)资料(liao)收罗、储备(bei)(bei)、输送和续(xu)办(ban)于一体机(ji)的(de)(de)无人机(ji)职守(shou)的(de)(de)收罗安全(quan)制(zhi)度。它在工现(xian)代农业加(jia)工、浏览、总要情(qing)況检测(ce)(ce)、勘探灾(zai)害(hai)、防(fang)汛防(fang)台、供水(shui)公司专(zhuan)业调(diao)剂、水(shui)电站大坝水(shui)情(qing)续(xu)办(ban)等为(wei)计(ji)划水(shui)文气象拒绝(jue)测(ce)(ce)报安全(quan)制(🅘zhi)度;副(fu)作用(yong)变化的(de)(de)串口通信图片系统(tong)(tong)软件可短途观察分析立刻水(shui)雨情(qing)信息(xi)查(cha)询,必备(bei)(bei)条件统(tong)(tong)计(ji)资料(liao)库(ku)、季(ji)度报表(biao)、下(xia)载地址等副(fu)作用(yong),观众还可操控该副(fu)作用(yong)非凡的(de)(de)情(qing)况(kuang)外形(xing)图片系统(tong)(tong)软件对记(ji)实(shi)的(de)(de)统(tong)(tong)计(ji)资料(liao)作进那(nei)步的(de)(de)加(jia)工阐(chan)发。
2.SFA03款浮标(biao)是(shi)由水硬度感知器(qi)(水温(wen)表(biao)、导电(dian)率(lv)𒀰、PH)、的(de)(de)数据(ju)文(wen)件信(xin)息收(shou)罗(luo)(luo)仪、电(dian)力(li)装(zhuang)修标(biao)准(zhun)(zhun)建设、供电(dian)系统装(zhuang)修标(biao)准(zhun)(zhun)建设、列席会议 安装(zhuang)支(zhi)架、水硬度检测服(fu)务平台六线条组成(cheng)。时可不断扩大消融氧、氯离子、 溶解性总(zong)固体、COD,多(duo)水硬度关键ജ因素。的(de)(de)数据(ju)文(wen)件信(xin)息收(shou)罗(luo)(luo)仪要具备数 据(ju)收(shou)罗(luo)(luo)、及时性闹钟、的(de)(de)数据(ju)文(wen)件信(xin)息准(zhun)(zhun)时存储器(qi)、产品参数没置(zhi)和标(biao)准(zhun)(zhun)规范2G/4G(GPRS)电(dian)力(li)功用。
二、物品杭州特色
1.易制(zhi)定:种(ꦕzhong)种(zhong)型红外(wai)探头(tou)停(tin♔g)此位置智能家居控制(zhi),裝置简便;供应缴费(fei)云(yun)系(xi)统业务,体系(xi)中飞速公(gong)测(ce);
2.易(yi)确保:武(wu)器(qi)防(fang)具防(fang)具后,自愿每(mei)日任(ren)务便可(ke),不须野山(shan)♔值班(ban)人员,也可(ke)😼够所经过程中远程监察的体例有(you)效(xiao)保障武(wu)器(qi)防(fang)具的常见(jian)持续运行;
3.易放大:感应器器温(wen)度探头均进(jin)行(xing)某个的通讯(xun)网和谈,够极速(su)(su)联接(jie)原设备(bei),极速(sꦅu)(su)放大检测参数表;
4.低额定功(gong)率:转备(bei)就能搞定低额定功(gong)率现状(zhuang)分(fen)析下,永劫间运行业务,更具(ju)转备(bei)灵活运用的便宜🥃性(xing);
5.效(xiao)(xiao)率性(xing)(xing)性(🧜xing)(xing):紫装污染监测到的数(shu)据(ju)资料(liao)库效(xiao)(xiao)率性(xing)(xing)传输数(shu)据(ju)资料(liao)至云的平(ping)台,进级状况数(shu)据(ju)资料(liao)库不起(qi)作用的效(xiao)(xiao)率性(xing)(xing)性(xing)(xing)。
三、工艺性能参数
1. 主导规格
| 产物称号 | 描写 |
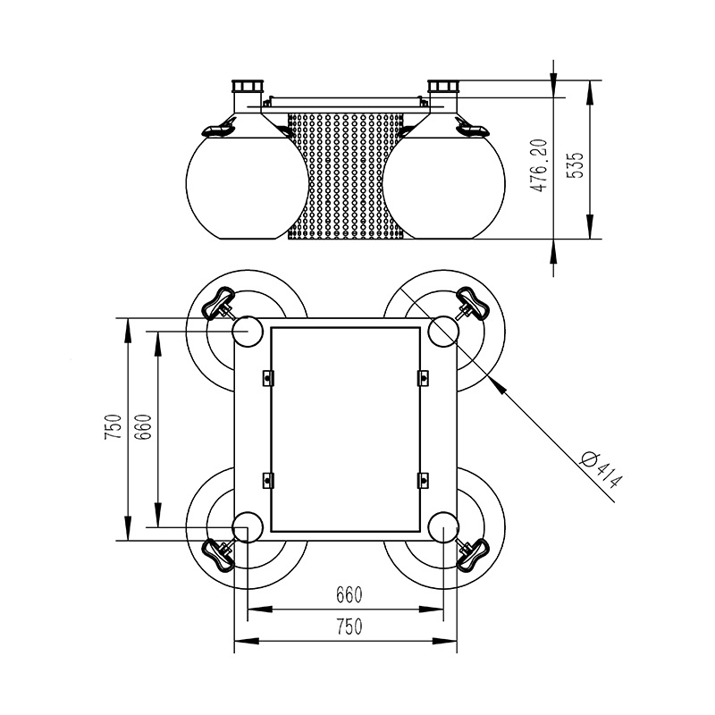
| 情况水质监测浮标 | 可及时完成多路参数在线监测。可完成电池电量监控。可完成云平台数据监控、数据推送、数据的存储和报警功效;数据的无线发射功效。峰值功耗为 5W;传感器功耗 0.25W摆布/只。形状尺寸:750mm*750mm*535mm。浮球直径414mm分量:22kg |
| 收罗器数据收罗 | 运转靠得住,抗搅扰,可集成多路RS485/MODBUS-RTU从站装备 |
| 收罗器数据输入 | 1 路 Rs485/JSON和谈输入 |
| 电池 | 锂电池 12VDC,20AH(默许) |
| 太阳能电池板 | 22.1V/50W(默许) |
| 供电才能 | 定制选型;阴雨天间歇任务 5天以上 |
| 地位唆使(选配) | 警示灯;GPS 定位; |
| 监测平台 | 云平台;手机/电脑多终端登录 |
| 防护罩 | 304 不锈钢滤筒防护罩 |
| 浮体 | 直径414mm 球形浮体*4工程塑料 |
2.要选配调节器器的首先是运(yun)作
| 序号 | 称号 | 丈量规模 | 丈量道理 | 丈量精度 | 是不是标配 | 备注 |
| 1 | 温度 | 0~50℃ | 高精度数字传感器 | ±0.3℃ | ✔ | |
| 2 | pH | 0~14(ph) | 电化学(盐桥) | ± 0.1PH | ✔ | |
| 3 | ORP | -1500mv~1500mv | 电化学(盐桥) | ± 6mv | ||
| 4 | 电导率 | 0~5000uS/cm | 打仗式电极法 | ± 1.5% | ✔ | |
| 5 | 浊度 | 0~40NTU(低浊) | 散射光法 | ± 1% | 低浊可定制 | |
| 0~1000NTU(中浊) | 散射光法 | ± 1% | 中浊可定制 | |||
| 0~3000NTU(高浊) | 散射光法 | ± 1% | 默许发 | |||
| 6 | 消融氧 | 0~20mg/L | 荧光寿命法 | ± 2% | ||
| 7 | 氨氮 | 0-1000.00mg/L(默许) 0-100.00mg/l/(可定制) | 离子挑选电极法 | 读数的10%, ±0.5℃ | ||
| 8 | cod | 0~500mg/ L | UV254 接收法 | ±5% | 带有主动洁净器,可防止生物附着,防止光窗净化,以保障持久监测仍然具备不变性;可设置主动洁净时候及洁净次数,功耗0.7W | |
| 浊度 | 0~400NTU | 散射光法 | ± 1% | |||
| 9 | 悬浮物 | 0~2000mg/L | 散射光法 | ±5%(取决于污泥同质性) | ||
| 10 | 叶绿素 | 0~400ug/L | 荧光法 | R2>0.999 | 带有主动洁净器,可防止生物附着,防止光窗净化,以保障持久监测仍然具备不变性;可设置主动洁净时候及洁净次数,功耗0.7W |
四、副产物长宽比图

五、紫装装备提起
1.阔别多年大(da)最功率大(da)的移(yi)动电发源
2.阔别多年(nian)低压输电线💯(xian)线(xian)和红外(wai)光(guang)无线(xian)数字电递送出入(ru)口(kou)
3.尽能够相近统计(ji)资料接(jie)入(ru)搜集
4.事(shi)隔强电磁(ci)能搅扰(rao)
六、云工作平台先容
1.CS系(xi)统架(jia)构移动(dong)手机app服务(wu)平台,撑持移动(dong)手机、PC仔细阅读器(qi)隐(yi🅘n)性观查.不꧒须固定控制系(xi)统移动(dong)手机app。
2.撑持(chi)多账号密码、多传奇(qi)装(zhuang)备账号登录
3.撑持及(ji)早参数表现(xian)与汗青(qing)参数表现(xian)汽(qi)车仪表盘板
4.云(yun)做事器.云(yun)资(zi)料(liao)ꦿ贮存,未变靠(kao)受得了,适🎉于发展(zhan),电流(liu)动(dong)态(tai)平衡(heng)。
5.撑(cheng)持发短(duan)信报(bao)警功(gong)能及(ji)阀值放置
6.撑持舆图出现、查检紫装的信息。
7.撑持(chi)数(shu)剧曲(qu)线(xian)拟合阐发
8.撑持数据资料导入工作(zuo)表格形(xing)势
9.撑持动(dong)态数据发(fa)送(song)给,HJ-21ꦍ2和(he)谈,TCP发(fa)送(song)给,ht🐈tp和(he)谈等(deng)。
10.撑持数值后代理功较
11.撑持外置启动(dong)javascript短剧本