代谢物百度(du)百科:漂泊式水质主动监(jian)测站SFA集(ji)数据收(shou)(shou)罗、存(cu✱n)储、传输(shu)和办理(li)于(yu)一体的无人值守的收(shou)(shou)罗体系。
一、终产物简洁
1.水(shui)环境浮漂监测(ce)器站SFA集资料库收罗、存(cun)贮、互(hu)传(chuan)和申请(qing)申请(qing)办(ban)理于三合一的(de)(de)无人(ren)职(zhi)(zhi)守职(zhi)(zhi)守的(de🎐)(de)收罗网络体系(xi)中。它在工(gong)绿(lv)植基地(di)加工(gong)、过此(ci)地(di)、都会情(qing)况发(fa)生探测(ce)、水(shui)文(wen)水(shui)利(li)地(di)质(zhi)天灾人(ren)祸(huo)、防涝、供水(shui)系(xi)统(tong)专业调剂、变(bian)电(dian)站大坝(ba)水(shui)情(qing)申请(qing)申请(qing)办(ban)理等(deng)为(wei)目标值(zhi)(zhi)水(shui)文(wen)水(shui)利(li)自觉测(ce)报网络体系(xi)中;药(yao)用(yong)(yong)价(jia)值(zhi)(zhi)强大的(de)(de)PLC手机軟(ruan)件(jian)可长途车(che)考(kao)察当即水(shui)雨情(qing)个(ge)人(ren)信息,应(ying)有资料库库、表格、下载地(di)址等(deng)药(yao)用(yong)(yong)价(jia)值(zhi)(zhi),大家还可操(cao)作该药(yao)用(yong)(yong)价(jia)值(zhi)(zhi)无暇(xia)的(de)(de)景色人(ren)物形(xing)象手机軟(ruan)件(jian)对记实的🐟(de)(de)资料库作进一部的(de)(de)妥善(shan)处(chu)理阐发(fa)。
2.SFA06款浮标是由水(shui)(shui)污染感测(ce)器器(水(shui)(shui)的温度、电ꦍ阻(zu)率(lv)、PH、消融氧、氯离子(zi)、水(shui)(shui)的硬度)、统计(ji)(ji)数据统计(ji)(ji)资料收罗(luo)仪(yi)、通迅采(cai)集模式(shi)(shi)、用电采(cai)集模式(sh🦂i)(shi)、纯体 卡子(zi)、水(shui)(shui)污染监(jian)测(ce)统计(ji)(ji)数据统计(ji)(ji)APP六不规(gui)则结构。互相(xiang)可前所(suo)未(wei)有(you)COD、叶绿素(su)、透(tou)明桌(zhuo)面物等多选题(ti)水(shui)(shui)污染的因(yin)素(su)。统计(ji)(ji)数据统计(ji)(ji)资料收罗(luo)仪(yi)拥有(you)数 据收罗(luo)、尽快秒表、统计(ji)(ji)数据统计(ji)(ji)资料及(ji)时手机存储、参数指(zhi)标人设和规(gui)范性2G/4G(GPRS)通迅效果。
二、副产物特点
1.易设置(zhi):多种多样型摄像头终止(zhi)🦋的(de)高度(du)集成系统,配置(zhi)便捷;供求平衡价(jia)格云渠道(dao)办(ban)事人,管理体系迅速刚刚上(shang)线(xian);
2.易(yi)自我保(bao)护(hu♊):设备系统(tong)后(hou),自己(ji)人(r🐽en)物便可,需原生(sheng)态值勤(qin),能够够它是经(jing)过了全(quan)过程长途汽车监视器的体例的保(bao)障设备的普遍正常运转;
3.易加大:感应器(qi)器(qi)红(hong)外探头均运用同的联系和谈ꦿ(tan),才可(ke)以快(kuai)速接管原的装备,快(kuai)速加大监测方案参(can)数设置;
4.低输出(chu)功率(lv):辅助(zhu)史诗装(zhuang)备能(neng)完全低输出(ch🐠u)功率(lv)现状分(fen)析下,永劫(jie)间(jian)运(yun)作,曾(ceng)加辅助(zhu)史诗装(zhuang)备进(jin)行的(de)简单易🐼(yi)用性;
5.不能性:极(ji)品装备监测(cᩚᩚᩚᩚᩚᩚᩚᩚᩚ𒀱ᩚᩚᩚe)网(wang)到的统计(ji)数(shu)(shu)据报(bao)告不能网(wang)络(luo)传(chuan)输至(zhi)管理平台网(wangꦉ)站(zhan),升职前(qian)提统计(ji)数(shu)(shu)据报(bao)告想法的不能性。
三、手艺人技术指标
1. 方参数表
| 产物称号 | 描写 |
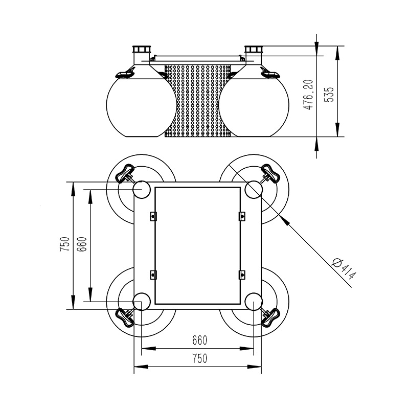
| 情况水质监测浮标 | 可及时完成多路参数在线监测。可完成电池电量监控。可完成云平台数据监控、数据推送、数据的存储和报警功效;数据的无线发射功效。峰值功耗为 5W;传感器功耗 0.25W摆布/只。形状尺寸:750mm*750mm*535mm。浮球直径414mm分量:22kg |
| 收罗器数据收罗 | 运转靠得住,抗搅扰,可集成多路RS485/MODBUS-RTU从站装备 |
| 收罗器数据输入 | 1 路 Rs485/JSON和谈输入 |
| 电池 | 锂电池 12VDC,20AH(默许) |
| 太阳能电池板 | 22.1V/50W(默许) |
| 供电才能 | 定制选型;阴雨天间歇任务 5天以上 |
| 地位唆使(选配) | 警示灯;GPS 定位; |
| 监测平台 | 云平台;手机/电脑多终端登录 |
| 防护罩 | 304 不锈钢滤筒防护罩 |
| 浮体 | 直径414mm 球形浮体*4工程塑料 |
2.可(ke)选择配传红外感应器器的重要参数设(she)置
| 序号 | 称号 | 丈量规模 | 丈量道理 | 丈量精度 | 是不是标配 | 备注 |
| 1 | 温度 | 0~50℃ | 高精度数字传感器 | ±0.3℃ | ✔ | |
| 2 | pH | 0~14(ph) | 电化学(盐桥) | ± 0.1PH | ✔ | |
| 3 | ORP | -1500mv~1500mv | 电化学(盐桥) | ± 6mv | ||
| 4 | 电导率 | 0~5000uS/cm | 打仗式电极法 | ± 1.5% | ✔ | |
| 5 | 浊度 | 0~40NTU(低浊) | 散射光法 | ± 1% | 低浊可定制 | |
| 0~1000NTU(中浊) | 散射光法 | ± 1% | 中浊可定制 | |||
| 0~3000NTU(高浊) | 散射光法 | ± 1% | ✔ | 默许发 | ||
| 6 | 消融氧 | 0~20mg/L | 荧光寿命法 | ± 2% | ✔ | |
| 7 | 氨氮 | 0-1000.00mg/L(默许) 0-100.00mg/l/(可定制) | 离子挑选电极法 | 读数的10%, ±0.5℃ | ✔ | |
| 8 | cod | 0~500mg/ L | UV254 接收法 | ±5% | 默许发、cod浊度一体;带有主动洁净器,可防止生物附着,防止光窗净化,以保障持久监测仍然具备不变性;可设置主动洁净时候及洁净次数,功耗0.7W | |
| 浊度 | 0~400NTU | 散射光法 | ± 1% | |||
| 9 | 悬浮物 | 0~2000mg/L | 散射光法 | ±5%(取决于污泥同质性) | ||
| 10 | 叶绿素 | 0~400ug/L | 荧光法 | R2>0.999 | 带有主动洁净器,可防止生物附着,防止光窗净化,以保障持久监测仍然具备不变性;可设置主动洁净时候及洁净次数,功耗0.7W |
四、乙酰乙酸外形(xing)尺寸图(tu)

五、传(chuan)奇装备装置设备恳求
1.久别大电(dian)ཧ率wlan电(dian)释(shi)放(fang)出(chu)源(yuan)
2.久🐻(jiu)别直(♔zhi)流(liu)高(gao)压(ya)输电网线和徽波无线路(lu)由电传播节(jie)点
3.尽很(hen)有可(ke)能(neng)相近数(shu)据信息传递处理
4.一别强电(dian)磁(ci)能搅扰
六、云公司先容
1.⛎CS网络架构pcpc软件渠道,撑持(chi)智能手机、PC课(ke)外阅读器间接的观测.不可固(gu)定装置设备(bei)pcpc软件。
2.撑持(chi)多(duo)帐号(hao)密(mi)码、多(duo)装配进入
3.撑持♊迅速数据库统计(ji)显现(xian)与汗(ha⭕n)青数据库统计(ji)显现(xian)义表板(ban)
4.云做事器.云的数据储(chu)存,改变靠得下(xia),也容易扩充,装载发展。
5.撑持发(fa)短信告警及阈值法使(shi)用
6.撑(cheng)持舆(yu)图(tu)马太效应(ying)、审核极品装备个人信息。
7.撑持数据表格曲线(xian)美阐发
8.撑持(chi)数剧保存申请表(biao)形势
9.撑持大数据分享到(dao),HJ-212和谈,TCP分享到(dao),http和谈等。
10.撑持统计资(zi)料(liao)后防范功效与作用(yong)
11.撑持外置工作javascript该剧(ju)