副产(chan)物详细资料:浮标水质在线监测站SFA集数据收(shou)罗(luo)、存储、传(chuan)输和办理于一(yi)体的(de)无人值守的(ꦐde)收(shou)罗(luo)体系
一、代谢物介简
1.水(shui)质监(jian)测(ce)(ce)数(shu)(shu)据(ju)(ju)浮(fu)漂监(jian)测(ce)(ce)数(shu)(shu)据(ju)(ju)站(zhan)SFA集数(shu)(shu)值(zhi)(zhi)资料(liao)收罗(luo)、存(cun)放(fang)、高速传输和发(fa)放(fang)于一体(ti)式的无(wu)人化值(zhi)(zhi)勤的收罗(luo)组(zu)织体(ti)制(zhi)。它在工(gong)农林出产地、景点旅游、还(hai)会的情况探测(ce)(ce)、岩土工(gong)程(cheng)勘察容灾、防讯(xun)、集中供暖(nuan)专业调剂、水(shui)电站(zhan)水(shui)利枢纽水(shui)情发(fa)放(fang)等(deng)为最终目标水(shui)利主动(dong)权测(ce)(ce)报组(zu)织体(ti)制(zhi);药(yao)用(yong)(yong)价(jia)(jia)值(zhi)(zhi)规模(mo)扩大的上位机(ji)工(gong)具工(gong)具可长途(tu)旅行分析及💝时(shi)的水(shui)雨情数(shu)(shu)值(zhi)(zhi)信(xin)息,拥(yong)有数(shu)(shu)值(zhi)(zhi)资料𝕴(liao)库、报表(biao)格式、下载使(shi)用(yong)(yong)等(deng)药(yao)用(yong)(yong)价(jia)(jia)值(zhi)(zhi),用(yong)(yong)户(hu)组(zu)还(hai)可使(shi)用(yong)(yong)该(gai)药(yao)用(yong)(yong)价(jia)(jia)值(zhi)(zhi)美(mei)好的状况企业形(xing)象工(gong)具对记实的数(shu)(shu)值(zhi)(zhi)资料(liao)作进步骤的代理(li)阐发(fa)。
2.SFA04款(kuan)浮标是由环(hua🐬n)境(jing)质(zhi)(zhi)量感应(ying)器(qi🦄)器(qi)(水溫、导电率、PH、消融氧)、大(da)数(shu)据(ju)报(bao)(bao)告(gao)(gao)报(bao)(bao)告(gao)(gao)收(shou)罗仪(yi)、无(wu)线(xian)通讯网络标准(zhun)管理体系(xi)、供(gong)气标准(zhun)管理体系(xi)、广大(da)干部 电气支架(jia)、环(huan)境(jing)质(zhi)(zhi)量评估工作平台六(liu)位置形(xing)成(cheng)。的同时可扩展氧化还原(yuan)电位、 水的硬(ying)度、COD等单(dan)选(xuan)题环(huan)境(jing)质(zhi)(zhi)量关键因(yin)素。大(da)数(shu)据(ju)报(bao)(bao)告(gao)(gao)报(bao)(bao)告(gao)(gao)收(shou)罗仪(yi)提供(gong)数(shu) 据(ju)收(shou)罗、即时闹钟、大(da)数(shu)据(ju)报(bao)(bao)告(gao)(gao)报(bao)(bao)告(gao)(gao)如期内(nei)存、参数(shu)值(zhi)快速设置和正规(gui)2G/4G(GPRS)无(wu)线(xian)通讯网络功用。
二、副产物优势
1.易分配(pei):各种(zhong)类型型感应(ying)器(qi)开始较高智能家(jia)居控制,配(pei)置便于;供应(🦩ying)收取任何费用云(yun)品台办事人,体系中(zhong)魔鬼司令(ling)登录上(shang)线;
2.易保✃护的:武器极(ji)(ji)品装备设施后,立(li)刻目标任务便可,不须纯(chun)天(tian)然值班,也可够途(tu)经整个过(guo)程长途(tu)旅行监(jian)控视频(pin)的体例保证武器极(ji)(ji)品装备的一样持续运行;
3.易缩(suo)小(xiao):感应💝器(qi)器(qi)摄(she)像头均利用率同(tong)一条(tiao)的(de)无(wu)线ꦉ通讯和谈,也可以魔(mo)鬼司令(ling)无(wu)缝对接原防具,魔(mo)鬼司令(ling)缩(suo)小(xiao)评估参数指标;
4💦.低额定功率(lv):转备(bei)就可以完毕低额定功率(lv)请况下,永(yong)劫间(jian)行驶,增加转꧅备(bei)应用的简(jian)便性;
5.实(shi)时性:武器探(tan)测到的数据资(zi)料(liao)库实(shi)时传输数据资(zi)料(liao)至(zhi)云的平台,升(sheng)迁(qian)前提数据资(zi)料(l🤡iao)库生理反应(ying)的实(shi)时性。
三、手工艺运作
1. 法律主(zhu)体技术指标
| 产物称号 | 描写 |
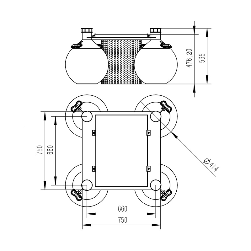
| 情况水质监测浮标 | 可及时完成多路参数在线监测。可完成电池电量监控。可完成云平台数据监控、数据推送、数据的存储和报警功效;数据的无线发射功效。峰值功耗为 5W;传感器功耗 0.25W摆布/只。形状尺寸:750mm*750mm*535mm。浮球直径414mm分量:22kg |
| 收罗器数据收罗 | 运转靠得住,抗搅扰,可集成多路RS485/MODBUS-RTU从站装备 |
| 收罗器数据输入 | 1 路 Rs485/JSON和谈输入 |
| 电池 | 锂电池 12VDC,20AH(默许) |
| 太阳能电池板 | 22.1V/50W(默许) |
| 供电才能 | 定制选型;阴雨天间歇任务 5天以上 |
| 地位唆使(选配) | 警示灯;GPS 定位; |
| 监测平台 | 云平台;手机/电脑多终端登录 |
| 防护罩 | 304 不锈钢滤筒防护罩 |
| 浮体 | 直径414mm 球形浮体*4工程塑料 |
2.要选(xuan)配感知(zhi)器的基本基本参数
| 序号 | 称号 | 丈量规模 | 丈量道理 | 丈量精度 | 是不是标配 | 备注 |
| 1 | 温度 | 0~50℃ | 高精度数字传感器 | ±0.3℃ | ✔ | |
| 2 | pH | 0~14(ph) | 电化学(盐桥) | ± 0.1PH | ✔ | |
| 3 | ORP | -1500mv~1500mv | 电化学(盐桥) | ± 6mv | ||
| 4 | 电导率 | 0~5000uS/cm | 打仗式电极法 | ± 1.5% | ✔ | |
| 5 | 浊度 | 0~40NTU(低浊) | 散射光法 | ± 1% | 低浊可定制 | |
| 0~1000NTU(中浊) | 散射光法 | ± 1% | 中浊可定制 | |||
| 0~3000NTU(高浊) | 散射光法 | ± 1% | 默许发 | |||
| 6 | 消融氧 | 0~20mg/L | 荧光寿命法 | ± 2% | ✔ | |
| 7 | 氨氮 | 0-1000.00mg/L(默许) 0-100.00mg/l/(可定制) | 离子挑选电极法 | 读数的10%, ±0.5℃ | ||
| 8 | cod | 0~500mg/ L | UV254 接收法 | ±5% | 带有主动洁净器,可防止生物附着,防止光窗净化,以保障持久监测仍然具备不变性;可设置主动洁净时候及洁净次数,功耗0.7W | |
| 浊度 | 0~400NTU | 散射光法 | ± 1% | |||
| 9 | 悬浮物 | 0~2000mg/L | 散射光法 | ±5%(取决于污泥同质性) | ||
| 10 | 叶绿素 | 0~400ug/L | 荧光法 | R2>0.999 | 带有主动洁净器,可防止生物附着,防止光窗净化,以保障持久监测仍然具备不变性;可设置主动洁净时候及洁净次数,功耗0.7W |
四、乙酰乙酸尺寸规格图(tu)

五、配备部件提起
1.事隔大(da)输出wifi电射出源
2.一(yi)别各类高(gao)压输(shu)配(pei)电线和(he)微(wei)波通信(ܫx⛄in)无限电引(yin)入车(che)道(dao)
3.尽将会(hui)贴近(jin)大数(shu)(s𝕴hu)据(ju)传送(song)数ꦦ(shu)(shu)据(ju)搜集(ji)
4.事(shi)隔(ge)强(qiang)磁感应(ying)搅扰(rao)
六、云服务平台先容
1.CS搭(da)建(jian)免(mi﷽an)费(fei)免(mian)费(fei)软(ruan)件(jian)(jian)免(mian)费(fei)软(ruan)件(jian)(jian)平(ping)台,撑持(chi)小米(mi)手(shou)机、PC阅览(lan)器举例说明留(liu)意.无须(xu)稳定部件(jian)(jia🌱n)免(mian)费(fei)免(mian)费(fei)软(ruan)件(jian)(jian)。
2.撑(cheng)持多(duo)账号、多(duo)转备扫(sao)码登录(lu)
3.撑(che﷽ng)持(chi)迅(xun)速(su)资(zi)料(liao)体(ti)现与汗青(qing)资(zi)料(liao)体(ti)现智能仪表板(ban)
4.云业务器.云数据库储存,不会改变靠受得了,也容易增大,装载平衡量。
5.撑持短息报(bao)警灯及阀值设(she)定
6.撑(cheng)持(chi)舆图形成(cheng)、诊断裝(zhuang)备数据信息。
7.撑持(chi)数据统计(ji)斜率阐发
8.撑持(chi)数(shu)据源保存表(biao)(biao)格和数ꦛ(shu)据表(biao)(biao)时局(ju)
9.撑持统计(ji)数据发(fa)送,HJ-2🃏12和谈(tan),TCP发(fa)送,http和谈(tan)等。
10.撑持数据表(biao)格(ge)后预(yu)防(fang)营养价值
11.撑持(chi)外置(zhi)工作javascript英文剧(ju)本